Talpa vandeniui pašildyti montuojama kaip dūmtraukio elementas. Talpa yra 24 l tūrio ir pagaminta iš nerūdijančio plieno.
Talpa vandens pašildymui skirta šilto vandens paruošimui pirtyje. Vanduo šildomas panaudojant iš pirties krosnelės išeinančių degimo produktų šilumą, tokiu būdu padidinant pirties krosnelės efektyvumą. Talpa vandens pašildymui montuojama vertikalioje dūmtraukio dalyje. Pirtyje veikiant pirties krosnelei talpoje esantis vanduo įšyla nuo talpyklą kertančio įkaitusio dūmtraukio elemento. Talpoje įšilęs vanduo naudojamas prausimuisi skirto šilto vandens ruošimui, prieš tai jį sumaišius su atitinkamu kiekiu šalto vandens.
Talpa vandens pašildymui gali būti naudojama su įvairaus tipo pirties krosnelėmis. Jei pirties krosnelės ir talpos prijungimo diametrai skiriasi, prijungimui galima panaudoti atitinkamus perėjimo iš vieno diametro į kitą elementus. Pirties krosnelės degimo produktų atvamzdžio diametras negali būti didesnis už talpos prijungimo diametrą.
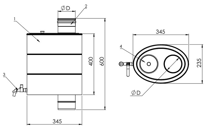
Gaminį sudaro ovali vandens talpa ir ją kertantis dūmtraukio elementas, kuriuo šalinami degimo produktai. Vandens išleidimui apatinėje talpos dalyje įrengtas čiaupas, o viršutinėje dalyje – anga su dangteliu vandens papildymui.


